项目背景
多个项目落地于大型MCU代工企业; 随着新能源汽车产业快速发展,整车电控系统的集成度与可靠性要求不断提升。MCU控制器作为核心控制部件,其性能稳定性与可靠性直接影响车辆品质。传统人工老化测试在效率、标准统一性及数据追溯方面已难以满足大规模生产需求。
当前制造环节主要面临以下问题:
√ 人工作业效率低,无法满足产能扩张要求
√ 操作标准不一致,导致产品一致性不足
√ 能耗高、人工成本大,运营效率有待提升
√ 缺乏数据采集与过程追溯,质量管理难以精细化
为解决上述问题,客户计划建设MCU控制器自动老化测试线。系统采用搬运台车结合步入式老化房的方式,实现产品自动老化及无人化上下料;可根据产能逐步升级为AGV自动化物流系统,从而显著提升生产效率与产品可靠性,助力企业实现智能制造转型。
一、设备概况与核心能力
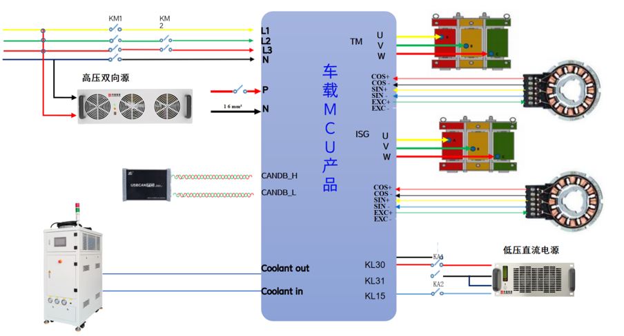
1.设备名称/用途:新能源汽车MCU控制器自动老化测试线;。
2.核心目标:实现产品的自动老化,达成无人化老化上下料作业。
3.运作方式:采用搬运台车结合步入式老化房实现免人工搬运老化,老化小车可以通过AGV或人工转移;
4.物流系统:由人工或AGV小车推拉实现老化小车的调度和转移,投入可由前期的人工变成自动,根据产能及产线情况,再升级自动。
二、老化房规格与参数
1.外形尺寸:长12米 × 宽2.6米 × 高2.4米,共4套。
2.容量配置:可同时容纳496个产品老化测试;。
3.环境控制:温度范围80±4°C(可调);仅具备加热功能,且产品老化过程中全程通程进行冷却。
4.附加功能:产品运水冷却后,设备清残水功能,控制逻辑根据机种可自动切换。

本设备适用于新能源汽车MCU制造型企业,可实现早期失效剔除、大电流循环冲击、无人化连续作业及产能提升。
适用厂家包括:
MCU生产厂家(7kW/11kW新能源车载充电机)
新能源MUC设备厂家(车载充电机、直流变换器等)
MCU代工厂(EMS工厂)
新能源汽车零部件企业(高压连接器等)
